
1、產品分類
QJY系列減速器是因市場需求開發的硬齒面(滲碳、淬火齒面)起重機減速器,包括三大類12種基本型
其結構見圖1,其型式代號與主要參數見表1。


2、性能特點:
(1)齒輪均采用優質低碳合金鋼、滲碳、淬火、齒輪精度6級。
(2)精度高、效率高、傳動平穩、噪音低,比調質齒輪減速器(QJ系列)體積小,重量輕,承載能力大性高。
(3)焊接箱體結構。安裝型式:三支點安裝和地腳安裝。
(4)輸出軸型式:平鍵,漸開線花鍵,齒輪軸端,空心軸四種。
(5)-般采用油池潤滑,自然冷卻,立式減速器采用循環油潤滑。
(6)采用滾動軸承。
應用范圍:
1輸入轉速一般n1≤1500r/min。
2工作環境溫度-40-+50℃。
3正反兩向運轉。
適用于各種類型起重機減速器選用。
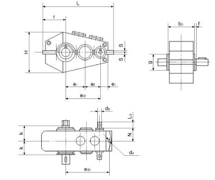
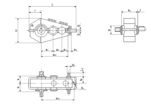
3、裝配型式(見圖2):

4、安裝型式:
ajYD2、OJYD3、QJYD23、OJYD34型采用地腳安裝。
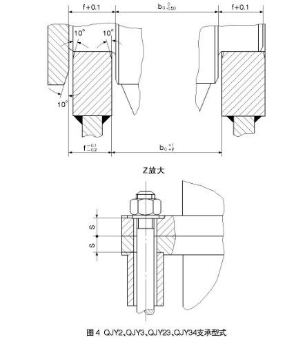
CJJY2、QJY3、QJY23、QJY34型采用三支點支承安裝(安裝方式見圖4)
允許有臥式W或立式L兩種方式(見圖3)。

注:a。角的度數與傳動比有關,當減速器傾斜a角時,應保證使中間級大齒輪浸油1-2個齒高深度(αo具體數據由用戶自定)。
QJY2、QJY3、OJY23、QJY34型減速器支承型式見圖4
外殼支座(結構舉例)


5、軸端型式
高速軸端采用圓柱軸伸平鍵聯接。
輸出軸端P-圓柱軸伸平鍵,單鍵聯接;
H-圓柱軸伸漸開線花鍵聯接:
c-齒輪軸端(僅用于中心距為236-560mm的減速器。)
軸端結構型式和尺寸參數見圖5和表2


6、代號示例:
三支點支承起重機減速器

標記示例:
起重機減速器三級傳動,名義中心距ai=560mm,公稱傳動比50,裝配型式第111種,輸出軸端為齒輪軸端,臥式安裝則標記為:QJY3560-50IIICW
帶底座起重機減速器

標記示例
起重機減速器二級傳動,名義中心距a,=560mm,公稱傳動比i=20,第Ⅳ種裝配型式,軸端型式為P型的標記為:QJYD2560-20ⅣP。
帶空心軸起重機減速器

7、外形及安裝尺寸
(1)表3QJY2、QJYA2減速器外形及安裝尺寸


(2)表4QJY3、QJYA3減速器外形及安裝尺寸


(3)表5QJY23、QJYA23減速器外形及安裝尺寸

