
一、規格、型號、傳動型式、傳動比及輸出扭矩。

二、主要特點
1重量輕、體積小、在相目條件下比硬齒面漸開線圓柱齒輪減速器重量減輕1/2以上,體職縮小1/2-1/3
2傳動效率高:單級行星減速囂n=0.98
兩緩行星減速器n=0.96
三級行星減速器n=0.94
3傳動功率范目大,可由小于1千瓦到上萬千瓦,且功率越大優點越突出,經濟效益越高
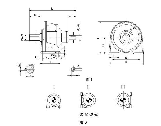
裝配型式多樣,可多面安裝,適用性廣,在符合給定制造條件下,運轉平衡、噪音小。
5采用優質低碳臺金鋼滲碳淬火,外齒輪為6級精
進工業國家同類產品水平。
三、適用條件
NGW型行星齒輪減速機標準包括NAD.NAZD.NB
NBZF.NCZF十二十個系列及派生標準NASO.NASF.Nl
設計
主要適用于冶金,礦山,運輸、建材,輕工、能源、交通等行業。
高速鈾轉速按其規格:
200-800者不大于1500r/min
900-1000者不大于1000r/min
齒輪的圓周速度不大于15-20m/s,工作環境溫度為-40~+45℃,低于0℃,啟動前潤滑油應予熱至0℃以上。可正反兩像運轉。
四、代號與標記方法
減速器代號包括:型號、級別、連結型式、規格、傳動比、裝備型式、標準號。其標記符號:
2-NGW型
A--一級行星齒輪減速器
B--二緩行星齒輪減速器
C--三級行星減速器
z——定軸倜“柱”齒輪
S—螺旋“傘”齒輪
D--底”座聯結
F--“法”蘭聯結
L--“立”式行星減速器
標記示倒:

GB---標準號
I---第一種裝配型式
112---傳動比i=112
450---規格為450
D---底座聯結
N---NGW型
五.型號規格種類及傳動比
1.NAD。NAF15個型號規格:

2.NBD。NBF13個型號規格:

3.NCD。NCF11個型號規格:

4.NAZD.NAZF減速器13個型號規格:

5.NBZD.NBZF減速器13個型號規格:

6.NCZD.NCZF減速器11個型號規格:

六、形式尺寸與功率表
1. NAD、NAF減速器的形式尺寸見圖1--3.
2 NBD、NBF減速器的形式尺寸見圖4-6.
3 NCD、NCF減速器的形式尺寸見圖7-9
4 NAZD、NAZF減速器的形式尺寸見圖10-12.
5 NBZD.NBZF減速器的形式尺寸見圖13-15







