
一、概述
行星齒輪減速器是個量大面廣的產品,幾乎在國民經濟各個領域都少不了它。本產品廣泛應用于冶金、礦山、超重、
運輸、水泥、建筑、化工、紡織、印染、制藥、食品環保等行業適用于齒輪圓周速度不大干12m/s輸入轉速不大干
1500r/min.工作環境溫度為-40℃-45℃的傳動機械;可正反兩個方向運轉。
NGW系列減速器是漸開線直齒行星齒輪減速器。技術先進結構新穎,主要用于冶金、礦山、水泥、起重、運輸、
紡織、印染、化工、輕工等行業。
二、特點
1重量輕體積小與常用圓柱齒輪減速器相比重量減輕1坨以上體積可以縮小1/2-1∞
2傳動效率高,單級傳動效率達0.97;兩級可選094,三級可選0.91
3傳動功率范圍大,可由1千瓦到1300千瓦
4采用硬齒面技術使用壽命長適用性廣。
三、適用條件
1高速軸最高轉速不超過1500轉/分
2齒輪圓周速度不超過10米/秒
3工作環境溫度為-40℃到45℃,
4可正反兩方向運轉
四、標記

5 公稱傳動比
A 改良型
1 單級加速器(級數)
7 7號機座(機座號)
NGW 加速器型號
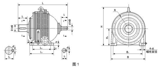
五、減速器外形及安裝尺寸
1、單級減速器型式、尺寸見圖1

2、兩級減速器型式、尺寸見圖2和表2


3、三級減速器型式、尺寸見圖3

4.單級傳動比

5.兩級傳動比。

6.三級傳動比。
